محصولات
صفحه اصلی > محصولات
ترانسفورماتور جریان صفر دنباله LXK-120
  • ترانسفورماتور جریان صفر دنباله LXK-120ترانسفورماتور جریان صفر دنباله LXK-120
  • ترانسفورماتور جریان صفر دنباله LXK-120ترانسفورماتور جریان صفر دنباله LXK-120
  • ترانسفورماتور جریان صفر دنباله LXK-120ترانسفورماتور جریان صفر دنباله LXK-120

ترانسفورماتور جریان صفر دنباله LXK-120

یک ترانسفورماتور جریان با ترتیب صفر LXK-120 توسط سازنده حرفه ای چینی Comewill ارائه شده است که به طور خاص برای حفاظت از خطای زمین سیستم قدرت طراحی شده است. این دستگاه داخلی از تکنیک ریخته‌گری رزین و ساختار هسته‌ای تقسیم‌شده استفاده می‌کند و به آن اجازه می‌دهد تا برای نصب بدون نیاز به از بین بردن شینه به دو نیمه تقسیم شود و در نتیجه به‌طور قابل‌توجهی مراحل بازسازی و ساخت را ساده‌تر می‌کند. این برای استفاده در سیستم های 50 هرتز یا 60 هرتز مناسب است و حفاظت رله توالی صفر را برای خطوط با نقطه خنثی زمین دار فراهم می کند.

ترانسفورماتور جریان بدون ترتیب LXK-120 را از Comewill، تولید کننده و تامین کننده ترانسفورماتور جریان حفاظتی مورد اعتماد چین خریداری کنید. این سی تی سی تی توالی صفر نوع باز که برای سیستم های قدرت 10 کیلو ولت و کمتر طراحی شده است، دارای ساختار اولیه کابلی، عایق ثانویه 3 کیلو ولتی، و ریخته گری رزین اپوکسی برای عملکرد حفاظتی قابل اعتماد است.

چیزی که این محصول را متمایز می کند، ساختار مدار اولیه کابلی آن است که به این معنی است که فقط عایق سیم پیچ ثانویه نیاز به بررسی دارد. سیم پیچ ثانویه دارای ولتاژ مقاومت در برابر فرکانس برق 3 کیلو ولت است و این سری شامل مدل های محبوبی مانند LXK-φ80، LXK-φ100، LXK-φ120، LXK-φ150، و LXK-φ180 است—همه با استانداردهای کیفیت دقیق توسط Welcome (Wenzhou) Electric تولید شده اند.

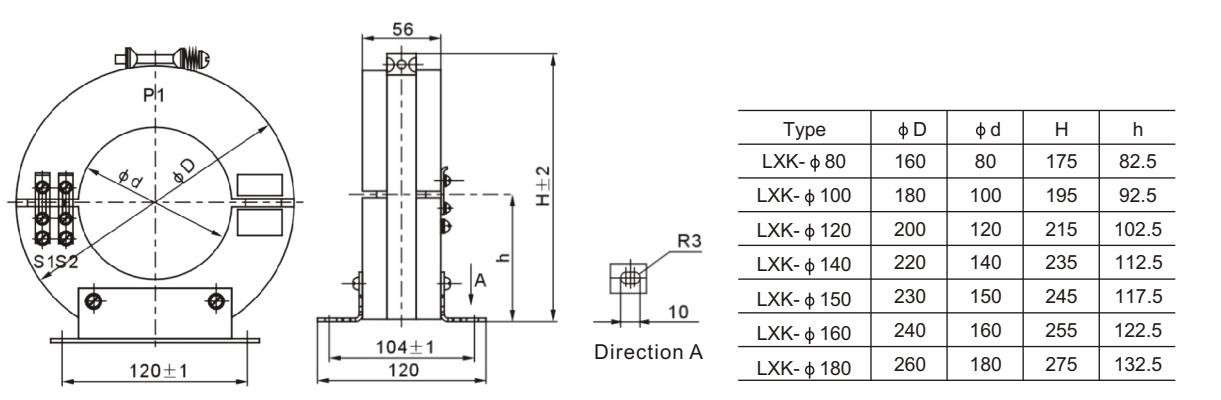
ترانسفورماتور جریان صفر دنباله صفر LXK-120 از شرکت Welcome (Wenzhou) Electric Co., Ltd. به طور ویژه برای حفاظت در برابر جریان اضافه در خطوط سیستم برق 10 کیلو ولت و پایین تر، و همچنین برای ژنراتورها و موتورهای AC سه فاز ولتاژ بالا طراحی شده است و فقط برای استفاده در داخل ساختمان در نظر گرفته شده است. با کابل های انتقال که قطر بیرونی آنها از 120 میلی متر تجاوز نمی کند سازگار است. برای جزئیات دقیق ابعاد مدل های LXK-80 تا LXK-160، لطفاً به جدول پارامترهای فنی ارائه شده توسط تیم فنی ما مراجعه کنید.

نوع توضیحات ترانسفورماتور جریان صفر دنباله LXK-120

L: ترانسفورماتور جریان
X: دنباله صفر
ک: نوع باز-بستن
Φ120: قطر اسمی سوراخ داخلی

اطلاعات فنی ترانسفورماتور جریان صفر دنباله نوع باز LXK

در شرکت Welcome (Wenzhou) Electric Co., Ltd.، همه محصولات ما الزامات استانداردهای ملی GB20840.1-2010 و GB20840.2-2014 را برآورده می کنند، و ما همچنین می توانیم پیشنهادات خود را متناسب با نیازهای منحصر به فرد مشتریان تنظیم کنیم. در اینجا خلاصه ای از مشخصات فنی کلیدی برای محصولات ما آمده است:

عایق درجه بندی شده: 0.72/3 کیلو ولت
فرکانس نامی: 50Hz/60Hz
جریان ثانویه نامی: 5A یا 1A
محدوده دمای کارکرد: -25°C ~ +40°C

تایپ کنید کلاس ها نسبت فعلی نامی (A) خروجی نامی (VA)
L XK-80 (80/165*57) 10P5 ~ 10P10 50/575/5100/5150/5200/5250/5300/5400/550/175/1100/1150/1200/1250/1 5 ~ 1
LXK-100 (100/180*55) 10P5 ~ 10P10 5 ~ 1
LXK-100 (100/180*57) 10P5 ~ 10P15 10 ~ 1
LXK-120 (120/204*57) 10P5 ~ 10P15 10 ~ 1
LXK-120 (120/210*65) 10P5 ~ 10P15 10 ~ 2.5
LXK-120 (120/210*100) 10P5 ~ 10P20 15 ~ 2.5
LXK-120 (120/250*80) 10P5 ~ 10P20 15 ~ 1
LXK-150 (150/235*57) 10P5 ~ 10P10 10 ~ 1
LXK-150 (150/280*80) 10P5 ~ 10P20 15 ~ 1
LXK-160 (160/250*80) 10P5 ~ 10P20 5 ~ 1
LXK-180 (180/265*57) 10P5 ~ 10P10 10 ~ 1
LXK-180 (180/310*80) 10P5 ~ 10P20 15 ~ 1
LXK-200 (200/330*80) 10P5 ~ 10P20 15 ~ 1
LXK-240 (240/350*80) 10P5 ~ 10P20 15 ~ 1
LXK-260 (260/370*80) 10P5 ~ 10P20 15 ~ 1.5

توجه: اگر به مشخصاتی مانند نسبت فعلی یا ابعاد نصب نیاز دارید که فراتر از محدوده های فوق باشد، شرکت Welcome (Wenzhou) Electric Co., Ltd. آماده بحث در مورد سفارشی سازی ها و دستیابی به توافق متقابل با خریدار است.

ویژگی ساختار

در شرکت Welcome (Wenzhou) Electric Co., Ltd.، ترانسفورماتورهای ما دارای طراحی باز و بسته هستند و از رزین اپوکسی ریخته گری می شوند. وقتی نوبت به نصب آنها می‌رسد، می‌توانید ابتدا ترانسفورماتور را به دو نیمه تقسیم کنید، سپس دو قسمت را به‌صورت یک واحد به هم بچسبانید و کل فرآیند نصب را آسان کنید. این مدل در هفت نوع مختلف از شرکت ما عرضه می شود که هر کدام دارای قطر داخلی منحصر به فرد هستند: 80 میلی متر، 120 میلی متر، 140 میلی متر، 150 میلی متر، 160 میلی متر و 180 میلی متر.

بعد طرح کلی

تگ های داغ: LXK-120 Zero-Sequence Current Transformer، چین، سازنده، تامین کننده، کارخانه، عمده فروشی، سفارشی، موجودی، ساخت چین، قیمت پایین، کیفیت
ارسال استعلام
اطلاعات تماس
  • نشانی

    No.777 جاده Wanweng، منطقه فرعی Wengyang، شهر Yueqing، شهر Wenzhou، استان ژجیانگ، چین

  • پست الکترونیک

    hannah@comewill.com

برای تابلو برق، قطع کننده مدار خلاء، ترانسفورماتور جریان به Comewill درخواست دهید. قیمت های سفارشی، قیمت های پایین یا پشتیبانی متخصص را از تیم کارخانه چین ما دریافت کنید.
X
ما از کوکی ها استفاده می کنیم تا تجربه مرور بهتری به شما ارائه دهیم، ترافیک سایت را تجزیه و تحلیل کنیم و محتوا را شخصی سازی کنیم. با استفاده از این سایت، شما با استفاده ما از کوکی ها موافقت می کنید. سیاست حفظ حریم خصوصی
رد کردن قبول کنید