محصولات
صفحه اصلی > محصولات
مدار شکن خلاء سری ZW20 فضای باز SF6
  • مدار شکن خلاء سری ZW20 فضای باز SF6مدار شکن خلاء سری ZW20 فضای باز SF6
  • مدار شکن خلاء سری ZW20 فضای باز SF6مدار شکن خلاء سری ZW20 فضای باز SF6

مدار شکن خلاء سری ZW20 فضای باز SF6

مدار شکن خلاء سری ZW20 کارخانه Comewill یک مدارشکن خلاء ولتاژ بالا در فضای باز است که برای سیستم های برق سه فاز AC 12 کیلو ولت و 50 هرتز ساخته شده است. این وسیله ای برای مدیریت و محافظت از جریان های بار، اضافه بارها، و جریان های اتصال کوتاه - چه در شبکه های توزیع، چه در پست ها، کارخانه های صنعتی یا راه اندازی برق روستایی است. به ویژه در سناریوهایی که به عملیات مکرر یا یکپارچه سازی شبکه خودکار نیاز دارند، به خوبی کار می کند.

به‌عنوان یک تولیدکننده حرفه‌ای مدارشکن خلاء SF6 سری ZW20 در چین، این شکن با کیفیت بالا Comewill دارای فناوری پیشرفته خاموش کردن قوس خلاء است و از گاز SF6 به عنوان عایق استفاده می‌کند. ما فن‌آوری ساختاری VSP5 توشیبا ژاپن را برای قابلیت‌های آب‌بندی، عایق‌سازی و ضد انفجار آن یکپارچه کرده‌ایم—بنابراین آب‌بندی آن درجه یک است، اصلاً گاز SF6 نشت نمی‌کند و بدون توجه به شرایط محیطی، با اطمینان کار می‌کند.

مکانیزم فنری آن جمع و جور است و بهینه سازی هایی برای قابلیت اطمینان و پایداری بهتر دارد. ما از یک درایو زنجیره ای مستقیم و سیستم ترمپ چند مرحله ای استفاده کرده ایم که عملکرد آن را نسبت به مکانیزم های فنری سنتی بهتر می کند. مدار اصلی دارای ساختار دستبند انبساط داخلی و انقباض خارجی است - این طراحی مقاومت تماس را پایین نگه می دارد و افزایش دما را در حین کار کاهش می دهد.

ویژگی های محصول

این کیس مدار شکن خلاء سری ZW20 سری ZW20 از فن‌آوری ساختار عایق، ضد انفجار و ضد انفجار VSP5 استفاده می‌کند - همچنین عملکرد آب‌بندی مجرای ورودی و خروجی را ارتقا داده‌ایم. کل واحد دارای آب بندی سطح بالایی است: گاز داخلی SF6 به هیچ وجه نشت نمی کند و بدون توجه به شرایط سخت محیطی به طور پیوسته کار می کند.

مکانیسم فنری آن کوچک شده و برای حداکثر قابلیت اطمینان و پایداری بهینه شده است. ما یک درایو اصلی زنجیره‌ای مستقیم و سیستم جداسازی چند مرحله‌ای را اتخاذ کرده‌ایم، بنابراین قابلیت اطمینان و پایداری عملیاتی آن بسیار برتر از مکانیزم‌های سنتی فنری داخلی است - مانند ارتقای چند برابری عملکرد.

اتصال شفت و آستین مدار اصلی از ساختار زنجیره ای میز با کشش به سمت داخل استفاده می کند. این طراحی مقاومت تماس مدار اصلی را بسیار کم نگه می دارد و در نتیجه حداقل افزایش دما را در حین کار ایجاد می کند.

مدار شکن خلاء سری ZW20 SF6 در فضای باز ساخته شده در چین همچنین دارای عملکردهای کاربردی اضافی است: حفاظت در برابر جریان اضافه، نشانگر ذخیره انرژی فنر مکانیزم، و سوکت هوانوردی برای اتصالات الکتریکی ثانویه. جفت شدن با کنترلرهای هوشمند بسیار آسان است.

بعلاوه، این محصول کاملاً با کنترلرهایی سازگار است که دارای عملکرد بازساز عالی هستند - کاملاً نیازهای سیستم های اتوماسیون توزیع برق را برآورده می کند.

مشخصات محصول:

مورد واحد داده ها
ولتاژ نامی کیلوولت 12
فرکانس رتبه بندی شده هرتز 50
جریان رتبه بندی شده A 630
جریان قطعی نامی اتصال کوتاه kA 20
جریان تولید رتبه بندی (اوج) kA 50
جریان پویا رتبه‌بندی شده (اوج) kA 50
4s دارای جریان مقاومت کوتاه مدت kA 20
توالی عملیاتی دارای رتبه
Open–0.3s–Close Open–180s–Close Open
ولتاژ موتور ذخیره سازی انرژی نامی V AC220
ولتاژ موتور ذخیره حداکثر/حداقل انرژی V AC242/AC18

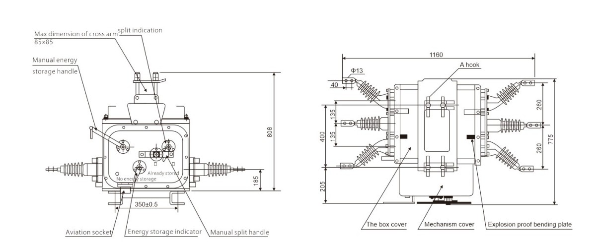
طرح کلی و ابعاد نصب

نکات سفارش

ما در اینجا ویژگی‌های کلیدی، مشخصات فنی و مکان‌هایی که بهترین عملکرد را دارد، مدار شکن خلاء فضای باز SF6 سری ZW20 را بررسی کرده‌ایم. برای اطمینان از دریافت درست - از جمله هر گونه ترفند سفارشی - این نکات ساده را هنگام سفارش در نظر داشته باشید:

نیازهای اساسی خود را مشخص کنید: ولتاژ نامی، جریان و جریان قطع اتصال کوتاه مورد نیاز خود را به ما اطلاع دهید. اگر چیزهای اضافی مانند سوئیچ های جداسازی یا عملکردهای ارتباطی می خواهید، فقط آنها را به وضوح ذکر کنید.
شرایط خود را در محل به اشتراک بگذارید: درباره محیطی که در آن از شکن استفاده می شود - مواردی مانند ارتفاع، محدوده دما، و سطح آلودگی به ما بگویید. این تضمین می کند که در تنظیمات خاص شما به طور قابل اعتمادی حفظ می شود.
هر درخواست سفارشی را ذکر کنید: اگر به تنظیمات غیر استاندارد، ویژگی‌های حفاظتی اضافی نیاز دارید یا می‌خواهید با یک سیستم کنترلی خاص کار کند، تا جایی که می‌توانید جزئیات را به ما ارائه دهید.

آیا به یک راه حل مناسب، پیکربندی منحصر به فرد نیاز دارید یا در مورد استفاده از این شکن در سناریوهای غیر استاندارد سؤالی دارید؟ تیم فنی ما اینجاست تا به شما کمک کند تا دقیقاً آنچه را که نیاز دارید به دست آورید. فقط امروز تماس بگیرید تا در مورد نیازهای خود چت کنید.

تگ های داغ: مدار شکن خلاء سری ZW20 SF6 فضای باز، چین، سازنده، تامین کننده، کارخانه، عمده فروشی، سفارشی، موجودی، ساخت چین، قیمت پایین، کیفیت
ارسال استعلام
اطلاعات تماس
  • نشانی

    No.777 جاده Wanweng، منطقه فرعی Wengyang، شهر Yueqing، شهر Wenzhou، استان ژجیانگ، چین

  • پست الکترونیک

    hannah@comewill.com

برای تابلو برق، قطع کننده مدار خلاء، ترانسفورماتور جریان به Comewill درخواست دهید. قیمت های سفارشی، قیمت های پایین یا پشتیبانی متخصص را از تیم کارخانه چین ما دریافت کنید.
X
ما از کوکی ها استفاده می کنیم تا تجربه مرور بهتری به شما ارائه دهیم، ترافیک سایت را تجزیه و تحلیل کنیم و محتوا را شخصی سازی کنیم. با استفاده از این سایت، شما با استفاده ما از کوکی ها موافقت می کنید. سیاست حفظ حریم خصوصی
رد کردن قبول کنید