محصولات
صفحه اصلی > محصولات
ترانسفورماتور جریان LCWD1-35
  • ترانسفورماتور جریان LCWD1-35ترانسفورماتور جریان LCWD1-35

ترانسفورماتور جریان LCWD1-35

شرکت Welcome (Wenzhou) Electric Co., Ltd. ترانسفورماتور جریان LABN1-35W2 / LCWD1-35 با کیفیت بالا را ارائه می دهد که در چین ساخته شده است - یک واحد خارجی عایق شده با روغن که برای سیستم های برق AC 35 کیلو ولت و کمتر ساخته شده و با فرکانس های نامی 50 هرتز یا 60 هرتز کار می کند.

ترانسفورماتور جریان LCWD1-35 با کیفیت بالا توسط Comewill، تولید کننده و تامین کننده حرفه ای در چین ارائه شده است. این برای اندازه‌گیری انرژی، اندازه‌گیری جریان و حفاظت رله طراحی شده است - با طراحی فشرده، ساخت سبک و عملکرد قابل اعتماد که برای خرید تجهیزات ولتاژ بالا جهانی اهمیت دارد. ما آن را سخت ساخته‌ایم: با خلاء خشک شده و با روغن پر شده است، بنابراین عایق جامد ارائه می‌کند و حتی در شرایط سخت در فضای باز نیز به خوبی مقاومت می‌کند.

این ترانسفورماتور جریان LCWD1-35 که برای سیستم‌های برق ولتاژ متوسط ​​که در محیط‌های سخت به عملکرد ثابت نیاز دارند، ایده‌آل است و استانداردهای کیفیت بین‌المللی را برآورده می‌کند تا درست در تنظیمات الکتریکی شما قرار بگیرد. اگر به مشخصات فنی دقیق، قیمت‌های سفارشی یا کمک برای خرید انبوه نیاز دارید، تیم ما در Welcome (Wenzhou) Electric Co., Ltd اینجاست تا به شما کمک کند. با دهه‌ها در مهندسی برق ولتاژ بالا، ما محصولات قابل اعتماد و پشتیبانی پاسخگو را ارائه می‌کنیم تا فرآیند خرید شما را روان‌تر کنیم. امروز با ما تماس بگیرید تا بیاموزید که چگونه این ترانسفورماتور می تواند کارایی و ایمنی سیستم قدرت شما را افزایش دهد.

اطلاعات فنی برای ترانسفورماتور جریان 35KV LCWD1

مشخصات کلیدی ترانسفورماتور جریان LCWD1-35 (LABN1-35W2):

- سطح عایق رتبه: 40.5/95/185kV
- جریان ثانویه نامی: 5A
- کلاس های جریان اولیه و دقت رتبه بندی شده: برای جزئیات، جدول مشخصات را بررسی کنید
- فاصله خزش: ≥735mm (عمومی)، ≥1100mm (W2)
- انتخاب پارامتر: جدول فنی را ببینید

به دنبال کمک خرید یا قیمت هستید؟ با شرکت Welcome (Wenzhou) Electric Co., Ltd - منبع قابل اعتماد شما برای تجهیزات ولتاژ بالا در سراسر جهان تماس بگیرید.
تنظیمات سفارشی در صورت درخواست در دسترس است.

جریان اولیه دارای رتبه (A) دقت ClassedCombination خروجی مرتبط (VA) جریان حرارتی کوتاه مدت (KA/S) دارای رتبه DynamicCurrent (I dyn) (KA)
0.2S 0.5 10P20

5 0.5/10P150.5/10P150.2/0.50.2/0.2 30 50 50 0.375 0.95
10 0.75 1.9
15 1.12 2.9
20 1.5 3.8
30 2.25 5.7
40 3 7.6
50 3.75 9.6
75 5.62 14.5
100 7.5 19.2
200 11.25 28.7
300 15 38.3
400 22.5 57.5
600 30 76.5
800 45 115
1000 45 115
1200 45 115
1500 45 115

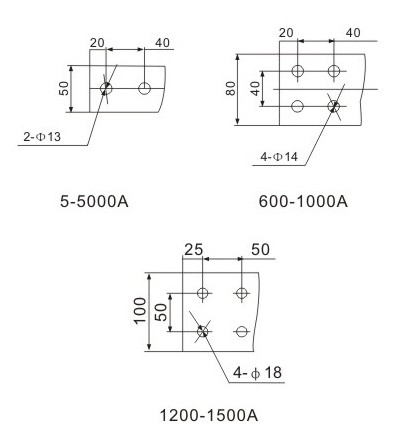
ابعاد نصب

ابعاد نصب CT عایق روغن فشرده LCWD1-35، LABN1-35W2

اتصال میله مارپیچی

جریان اولیه دارای رتبه (A) M
5-500 M22 × 1.5
600-1000 M27 × 1.5
1200-1500 M30 × 1.5

نوع اتصال میله مسی

جریان اولیه دارای رتبه (A) > B
5-500 410
600-1000 440
1200-1500 440

اطلاعات سفارش و درخواست های ویژه

هنگام ثبت سفارش، لطفاً موارد زیر را ارائه دهید:
نوع ترانسفورماتور و درجه جریان اولیه مورد نیاز شما

کلاس دقت مورد نیاز و جزئیات خروجی ثانویه

سطح عایق و کلاس آلودگی برای کاربرد شما

هر گونه نیاز به سفارشی سازی: ابعاد سفارشی، مواد، تنظیمات طراحی، یا مخازن / روکش های روغن سفارشی

تگ های داغ: ترانسفورماتور جریان LCWD1-35، چین، سازنده، تامین کننده، کارخانه، عمده فروشی، سفارشی، در انبار، ساخت چین، قیمت پایین، کیفیت
ارسال استعلام
اطلاعات تماس
  • نشانی

    No.777 جاده Wanweng، منطقه فرعی Wengyang، شهر Yueqing، شهر Wenzhou، استان ژجیانگ، چین

  • پست الکترونیک

    hannah@comewill.com

برای تابلو برق، قطع کننده مدار خلاء، ترانسفورماتور جریان به Comewill درخواست دهید. قیمت های سفارشی، قیمت های پایین یا پشتیبانی متخصص را از تیم کارخانه چین ما دریافت کنید.
X
ما از کوکی ها استفاده می کنیم تا تجربه مرور بهتری به شما ارائه دهیم، ترافیک سایت را تجزیه و تحلیل کنیم و محتوا را شخصی سازی کنیم. با استفاده از این سایت، شما با استفاده ما از کوکی ها موافقت می کنید. سیاست حفظ حریم خصوصی
رد کردن قبول کنید