محصولات
صفحه اصلی > محصولات
LMZW9-0.66 ترانسفورماتور جریان
  • LMZW9-0.66 ترانسفورماتور جریانLMZW9-0.66 ترانسفورماتور جریان
  • LMZW9-0.66 ترانسفورماتور جریانLMZW9-0.66 ترانسفورماتور جریان

LMZW9-0.66 ترانسفورماتور جریان

ترانسفورماتور جریان LMZW9-0.66 با کیفیت بالا را از سازنده چینی Comewill خریداری کنید. این ترانسفورماتور به طور خاص برای مدارهای متناوب 50 هرتز با ولتاژ 0.66 کیلو ولت و کمتر طراحی شده است که نیازهای حیاتی برای نظارت دقیق جریان و اندازه گیری انرژی در بخش های توزیع برق صنعتی و ساختمانی را برآورده می کند. با استفاده از فرآیند ریخته‌گری رزین غیراشباع، این واحد دارای ساختاری مستحکم با مقاومت عالی در برابر رطوبت و پایداری حرارتی است که به طور موثر هزینه‌های نگهداری را در کل چرخه عمر آن کاهش می‌دهد.
Comewill به عنوان یک تولید کننده حرفه ای تجهیزات قدرت در چین، به شدت از استاندارد IEC 61869 پیروی می کند و عملکرد پایدار و قابل اعتماد ترانسفورماتور جریان LMZW9-0.66 را تضمین می کند. طراحی ثابت آن سیم‌کشی در محل را ساده می‌کند و امکان ادغام یکپارچه در سیستم‌های مختلف توزیع برق ولتاژ پایین را فراهم می‌کند – چه برای ارتقاء یا پروژه‌های ساختمانی جدید.

پارامتر فنی ترانسفورماتور جریان LMZW-0.66:

فرکانس رتبه بندی شده 50/60 هرتز
ولتاژ نامی 0.6 کیلو ولت یا 0.66 کیلو ولت
بالاترین ولتاژ برای تجهیزات 0.72 کیلو ولت
ولتاژ تحمل فرکانس برق 3 کیلو ولت
استاندارد فنی مطابق با IEC60044-1:2003 یا IEEE STD C57.13-2008
تایپ کنید جریان اولیه نامی (A) خروجی رتبه‌بندی شده VA (cosФ=0.8 تاخیر)
0.2S 0.2 0.5S 0.5 1
LMZ-0.66 75-100 10-3.75 10-3.75 10-3.75 10-3.7510-3.75 10-3.75
LMZ-0.66 150-300 10-3.75 10-3.75 10-3.75 10-3.75 10-3.75
LMZ-0.66 400-750 10-3.75 10-3.75 10-3.75 10-3.75 10-3.75
LMZ-0.66 1000-1500 10-3.75 10-3.75 10-3.75 10-3.75 10-3.75


ویژگی های محصول

1. عملکرد پایدار

ترانسفورماتور جریان LMZW9-0.66 کارخانه کامویل با استانداردهای IEC 61869، IEC60044-1 و IEEE C57.13 مطابقت دارد.

اندازه گیری دقیق جریان در طیف گسترده ای از جریان های اولیه (75-1500A)

خروجی نامی 10-3.75 VA (cosφ=0.8 تاخیر) سیگنال ثابت برای اندازه گیری و حفاظت را تضمین می کند.


2. طراحی داخلی ثابت کوه

سیم کشی و ادغام در تابلو و تابلوهای ولتاژ پایین را ساده می کند

خطاهای نصب و تعمیر و نگهداری را کاهش می دهد

طراحی فشرده استفاده از فضای پانل را به حداکثر می رساند


3. محدوده عملیاتی گسترده

دمای عملیاتی: -25 ℃ تا +55 ℃

رطوبت نسبی: ≤90٪، بدون تراکم

ارتفاع: ≤1000 متر از سطح دریا

محیط های داخلی بدون آلودگی، بدون گرد و غبار، و بدون گاز خورنده


4. ایمنی و انطباق بالا

ولتاژ تحمل فرکانس برق: 3 کیلو ولت

ولتاژ نامی: 0.6-0.66kV، با حداکثر ولتاژ تجهیزات 0.72kV

طراحی شده برای عملیات ایمن طولانی مدت در شبکه های توزیع ولتاژ پایین


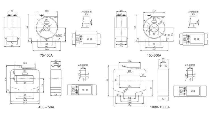
طرح کلی و ابعاد نصب

خوش آمدید (Wenzhou) Electric Co., Ltd


سوالات متداول


Q1: آیا شما یک کارخانه یا شرکت تجاری هستید؟

A1: ما یک کارخانه هستیم که به ما امکان می دهد مستقیماً قیمت های بسیار رقابتی ارائه دهیم.


Q2: فرآیند کنترل کیفیت شما چیست؟

A2: ما اطمینان می دهیم که همه محصولات قبل از حمل و نقل تحت بازرسی 100٪ قرار می گیرند.


Q3: چه زمانی می توانم انتظار دریافت قیمت را داشته باشم؟

A3: ما معمولاً ظرف 24 ساعت پس از دریافت درخواست شما، یک نقل قول ارائه می کنیم.


Q4: چگونه می توانم نمونه بگیرم؟

A4: می توانید نمونه ای را خریداری کنید که شامل هزینه نمونه و هزینه های حمل و نقل می شود. هزینه تحویل سریع به کمیت و وزن نمونه ها بستگی دارد.


Q5: هزینه های حمل و نقل چیست؟

A5: هزینه های حمل و نقل بسته به بندر مقصد متفاوت است.


تگ های داغ: LMZW9-0.66 ترانسفورماتور جریان، چین، تولید کننده، تامین کننده، کارخانه، عمده فروشی، سفارشی، در انبار، ساخت چین، قیمت پایین، کیفیت
ارسال استعلام
اطلاعات تماس
  • نشانی

    No.777 جاده Wanweng، منطقه فرعی Wengyang، شهر Yueqing، شهر Wenzhou، استان ژجیانگ، چین

  • پست الکترونیک

    hannah@comewill.com

برای تابلو برق، قطع کننده مدار خلاء، ترانسفورماتور جریان به Comewill درخواست دهید. قیمت های سفارشی، قیمت های پایین یا پشتیبانی متخصص را از تیم کارخانه چین ما دریافت کنید.
X
ما از کوکی ها استفاده می کنیم تا تجربه مرور بهتری به شما ارائه دهیم، ترافیک سایت را تجزیه و تحلیل کنیم و محتوا را شخصی سازی کنیم. با استفاده از این سایت، شما با استفاده ما از کوکی ها موافقت می کنید. سیاست حفظ حریم خصوصی
رد کردن قبول کنید