محصولات
صفحه اصلی > محصولات
ترانسفورماتور جریان LMZK-10
  • ترانسفورماتور جریان LMZK-10ترانسفورماتور جریان LMZK-10
  • ترانسفورماتور جریان LMZK-10ترانسفورماتور جریان LMZK-10

ترانسفورماتور جریان LMZK-10

ترانسفورماتور جریان LMZK-10 عرضه شده توسط شرکت Welcome (Wenzhou) Electric Co., Ltd. در چین برای اندازه گیری جریان، نمونه برداری سیگنال و سناریوهای حفاظت از میکرو کامپیوتر تجهیزات الکتریکی در سیستم های قدرت AC 10KV مناسب است. این تجهیزات پشتیبانی ارجح برای خرید مهندسی قدرت است.

Comewill، به عنوان یک تولید کننده و تامین کننده پیشرو در چین، ترانسفورماتور جریان LMZK-10 را برای شما فراهم می کند که مزایای اصلی از جمله اندازه جمع و جور، هسته قابل جدا شدن برای نصب آسان و اندازه گیری با دقت بالا با استفاده از فولاد سیلیکونی وارداتی را ارائه می دهد. این به طور خاص برای تابلو برق فشرده 10 کیلوولت طراحی شده است.

این ترانسفورماتور جریان LMZK-10 دارای مزایای اصلی مانند اندازه کوچک، وزن سبک، قابل تعویض و نصب آسان است و به طور گسترده ای برای نیازهای خرید تابلو برق شبکه حلقه کاملا عایق بندی شده مناسب است. این به ویژه برای ترکیب با تجهیزات پایانه راه دور مانند RTU و FTU برای تشکیل یک واحد نمونه مناسب است که یک راه حل جامع و پشتیبانی داده برای کل سیستم ارائه می دهد. پس از تهیه و نصب، نیازی به اصلاح سیم کشی اصلی نیست. می توان آن را مستقیماً بر روی کابل های ورودی و خروجی متصل نصب کرد و کار را ساده و سریع می کند و هزینه نصب مهندسی را به میزان قابل توجهی کاهش می دهد. در حال حاضر، به طور گسترده ای در سری های سوئیچ شبکه حلقه کاملاً عایق بندی شده مانند SafeRing/Plus، Uniswitch، RM6/SM6، SVS، GA/GE، FB، SS و غیره استفاده می شود و همچنین برای تهیه و نیازهای پشتیبانی پست های ترکیبی، جعبه های توزیع کابل و سایر تجهیزات مناسب است.

از نظر مواد و فرآیندهای هسته، ترانسفورماتور جریان LMZK-10 از ورق های فولادی سیلیکونی با نفوذپذیری بالا وارداتی با کیفیت بالا به عنوان مواد مغناطیسی استفاده می کند که دارای ویژگی های هسته های آهنی قابل جدا شدن و تلفات مدار مغناطیسی کم است. رزین درون یک پوسته پلاستیکی مقاوم در برابر شعله، با مقاومت عالی در برابر رطوبت، عملکرد پایدار و بدون نیاز به تعمیر و نگهداری بعدی به صورت خلاء ریخته می‌شود، که الزامات مقرون‌به‌صرفه خرید را برای استفاده طولانی‌مدت برآورده می‌کند. در حین نصب، دو حلقه نیم دایره ای را روی کابل جدا شده از فاز محکم کنید و آنها را با گیره محکم کنید تا یکپارچه با کابل ترکیب شود و ظاهری زیبا و هماهنگ ایجاد کند. این محصول برای سناریوی تهیه کابل های 10 کیلوولت با مشخصاتی از 35 میلی متر مربع تا 400 میلی متر مربع مناسب است. گیره از مواد فولادی ضد زنگ با کیفیت بالا ساخته شده است که محکم و قابل اعتماد است. هیچ جریان گردابی در حین استفاده ایجاد نمی شود و این امر عملکرد ایمن تجهیزات را تضمین می کند.

الزامات فنی برای محیط کار و نصب - ترانسفورماتور جریان LMZK-10

ضریب توان در سمت بار باید COS φ=0.8 را برآورده کند (نمایش ویژگی‌های پسماند).
جریان ثانویه نامی را می توان از بین مشخصات 5A یا 1A انتخاب کرد تا نیازهای سیستم های قدرت مختلف را برآورده کند.
محدوده دمای محیط: حد پایین -5 ℃، حد بالایی 40 ℃ و میانگین دمای روزانه نباید از 30 ℃ تجاوز کند.
فرکانس کاری نامی از دو استاندارد رایج پشتیبانی می کند: 50 هرتز یا 60 هرتز.
ارتفاع نصب تجهیزات باید در 1000 متر یا کمتر کنترل شود.
سطح آلودگی مطابق با استاندارد Level II است و برای محیط های صنعتی معمولی مناسب است.

تولید و بازرسی محصول کاملاً از استانداردهای ملی GB20840.1 و GB20840.2 پیروی می کند.

داده های فنی

LMZK1

تایپ کنید LMZK1-10C LMZK1-10P LMZK1-10CP
هدف اندازه گیری ترانسفورماتور جریان ترانسفورماتور جریان محافظ ترانسفورماتور جریان سیم پیچ دوبل
نسبت کلاس دقت و بار ارزیابی شده (VA) کلاس دقت و بار ارزیابی شده (VA) کلاس دقت و بار امتیازی (VA)
0.5 1 3 10P15 10P10 10P5 0.5 1 10P10 10P5
50/5

2.5






75/5

2.5

1.5



100/5
2.5


2.5



150/5
2.5

1.5 3.75



200/5 2.5 5

2.5 5



300/5 2.5 5
1.5 2.5 5
2.5
1.5
400/5 5 5
1.5 2.5 5 2.5

2.5
500/5 5 5
2.5 3.75 7.5 2.5

2.5
600/5 5 5
2.5 5 10 2.5

2.5

LMZK2

تایپ کنید LMZK2-10C

LMZK2-10P
LMZK2-10CP
هدف
اندازه گیری جریان جریان محافظ جریان سیم پیچ دوگانه

ترانسفورماتور
ترانسفورماتور
ترانسفورماتور
نسبت
کلاس دقت و کلاس دقت و کلاس دقت و بار امتیازی

بار رتبه بندی شده (VA) بار رتبه بندی شده (VA) (VA)
0.2 0.5 1 10P15 10P10 10P5 0.5 1 10P10 10P5
50/5 2.5
2.5
75/5 2.5 2.5 2
1.5
100/5 2.5 5 2.5 5 2.5 2.5
150/5 2.5 5
2.5 5
2.5 2.5
200/5 3.75 7.5
3.75 7.5
3.75 2.5
300/5 2.5 5 3.75 5 10 2.5 5
2.5
5
400/5 5 7.5 3.75 5 10 5 5
2.5 5
500/5 5 7.5 5 7.5 15 5 5 3.75 7.5
600/5 5 10 5 7.5 15 5 5 3.75 7.5

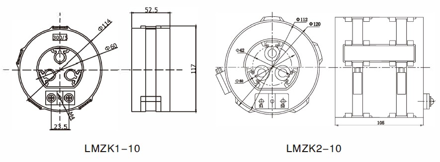
ابعاد طرح کلی


تگ های داغ: ترانسفورماتور جریان LMZK-10، چین، سازنده، تامین کننده، کارخانه، عمده فروشی، سفارشی، موجودی، ساخت چین، قیمت پایین، کیفیت
ارسال استعلام
اطلاعات تماس
  • نشانی

    No.777 جاده Wanweng، منطقه فرعی Wengyang، شهر Yueqing، شهر Wenzhou، استان ژجیانگ، چین

  • پست الکترونیک

    hannah@comewill.com

برای تابلو برق، قطع کننده مدار خلاء، ترانسفورماتور جریان به Comewill درخواست دهید. قیمت های سفارشی، قیمت های پایین یا پشتیبانی متخصص را از تیم کارخانه چین ما دریافت کنید.
X
ما از کوکی ها استفاده می کنیم تا تجربه مرور بهتری به شما ارائه دهیم، ترافیک سایت را تجزیه و تحلیل کنیم و محتوا را شخصی سازی کنیم. با استفاده از این سایت، شما با استفاده ما از کوکی ها موافقت می کنید. سیاست حفظ حریم خصوصی
رد کردن قبول کنید