محصولات
صفحه اصلی > محصولات
ترانسفورماتور ولتاژ JDZX9-35D/290
  • ترانسفورماتور ولتاژ JDZX9-35D/290ترانسفورماتور ولتاژ JDZX9-35D/290
  • ترانسفورماتور ولتاژ JDZX9-35D/290ترانسفورماتور ولتاژ JDZX9-35D/290
  • ترانسفورماتور ولتاژ JDZX9-35D/290ترانسفورماتور ولتاژ JDZX9-35D/290

ترانسفورماتور ولتاژ JDZX9-35D/290

Comewill، یک تولید کننده حرفه ای ترانسفورماتور ولتاژ در چین، با افتخار ترانسفورماتور ولتاژ JDZX9-35D/290 را ارائه می دهد که برای عملکرد پایدار و دقیق در سیستم های قدرت 35 کیلو ولت طراحی شده است.

ترانسفورماتور ولتاژ JDZX9-35D/290 کارخانه Comewill که با عایق ریخته گری رزین اپوکسی و ساختار کاملاً محصور در فضای باز طراحی شده است، دقت بالا، دوام قوی و قابلیت اطمینان طولانی مدت را تضمین می کند. این به طور گسترده ای در اندازه گیری انرژی، نظارت بر ولتاژ و حفاظت رله استفاده می شود و آن را به یک راه حل ایده آل برای شبکه های برق مدرن و کاربردهای صنعتی تبدیل می کند.

تعیین نوع

ترانسفورماتور ولتاژ JDZX9-35 شرکت خوش آمدید (Wenzhou) الکتریک، با مسئولیت محدود، این مدل حاوی اطلاعات کلیدی ساختاری و کاربری است که به راحتی قابل جداسازی و درک است:

مدل JDZX9-35 مشخصات ساختاری و عملکردی کلیدی را نشان می دهد:

J – ترانسفورماتور ولتاژ
د – سازه تک فاز
Z – عایق ریخته گری رزین اپوکسی
X - با سیم پیچ ولتاژ باقیمانده (برای حفاظت از زمین)
9 – شماره دنباله طراحی
35 – ولتاژ نامی: 35 کیلو ولت

این نامگذاری مدل به طور مستقیم ویژگی های اصلی ترانسفورماتور ولتاژ JDZX9-35D/290 را برجسته می کند: به طور خاص برای سیستم های قدرت ولتاژ متوسط ​​طراحی شده است، از عایق رزین ریخته گری، ساختار تک فاز استفاده می کند و همچنین می تواند به سیم پیچ های ولتاژ باقیمانده مجهز شود، که کاملاً با نیازهای استفاده سیستم های 35 کیلو ولت مطابقت دارد.

شرایط خدمات

برای اطمینان از عملکرد طولانی مدت پایدار، ترانسفورماتور ولتاژ JDZX9-35D/290 باید تحت شرایط زیر استفاده شود:
نصب: فقط برای استفاده در فضای باز
دمای محیط:
حداکثر: +40 درجه سانتیگراد
حداقل: -25 درجه سانتیگراد
میانگین روزانه ≤ 30 درجه سانتی گراد
ارتفاع: ≤ 1000 متر (طراحی سفارشی برای ارتفاعات بالاتر مورد نیاز است)
سطح آلودگی: مناسب برای محیط های کلاس IV
جو: عاری از گرد و غبار شدید یا گازهای خورنده

داده های فنی

تایپ کنید نسبت ولتاژ نامی (V) دقت کلاس ترکیبی خروجی رتبه بندی شده (VA) حداکثر خروجی (VA) سطح عایق رتبه ای (کیلو ولت)
JDZX9-35 35000/√3/100/√3/100/3 0.2/6P 30/100 600 40.5/95/200
0.5/6P 50/100
JDZXF9-35 35000/√3/100/√3/100/√3/100/3 0.2/0.2/6P 20/20/100 2×300
0.2/0.5/6P 25/30/100
0.5/0.5/6P 30/30/100

سفارشی سازی و دستورالعمل های استفاده

Comewill، به عنوان یک تامین کننده با تجربه ترانسفورماتور ولتاژ چین، خدمات سفارشی سازی انعطاف پذیر را ارائه می دهد:
نسبت ولتاژ سفارشی و کلاس دقت موجود است
راه حل های مناسب برای نیازهای پروژه خاص
پشتیبانی از طرح های غیر استاندارد
نکات استفاده:
برای اندازه گیری دقیق فقط از یک نسبت ولتاژ در یک زمان استفاده کنید
از عملکرد همزمان چند نسبت خودداری کنید
هنگام سفارش، پارامترهای دقیق را برای اطمینان از بهترین عملکرد ارائه دهید

سناریوهای کاربردی

ترانسفورماتور ولتاژ JDZX9-35D/290 به طور گسترده در موارد زیر استفاده می شود:
سیستم های شبکه برق
پست های فرعی
توزیع برق صنعتی
سیستم های اندازه گیری انرژی
کاربردهای حفاظت از رله

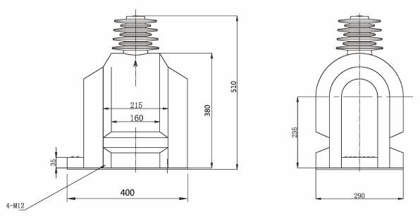
طرح کلی و ابعاد نصب

اصول سیم کشی برای ترانسفورماتورهای ولتاژ DZX9-35KV

اطلاعات سفارش

برای اطمینان از اینکه ترانسفورماتور کاملاً با نیازهای سیستم شما مطابقت دارد، لطفاً مشخص کنید:

نسبت ولتاژ
کلاس دقت
خروجی رتبه بندی شده
شرایط ویژه (در صورت وجود)

برای راه حل های سفارشی، تیم فنی Comewill آماده ارائه پشتیبانی حرفه ای از طراحی تا تحویل است و از عملکرد قابل اعتماد و کارآمد در سیستم قدرت شما اطمینان می دهد. خوش آمدید به تماس با ما و دریافت قیمت در حال حاضر!

تگ های داغ: ترانسفورماتور ولتاژ JDZX9-35D/290، چین، سازنده، تامین کننده، کارخانه، عمده فروشی، سفارشی، موجودی، ساخت چین، قیمت پایین، کیفیت
ارسال استعلام
اطلاعات تماس
  • نشانی

    No.777 جاده Wanweng، منطقه فرعی Wengyang، شهر Yueqing، شهر Wenzhou، استان ژجیانگ، چین

  • پست الکترونیک

    hannah@comewill.com

برای تابلو برق، قطع کننده مدار خلاء، ترانسفورماتور جریان به Comewill درخواست دهید. قیمت های سفارشی، قیمت های پایین یا پشتیبانی متخصص را از تیم کارخانه چین ما دریافت کنید.
X
ما از کوکی ها استفاده می کنیم تا تجربه مرور بهتری به شما ارائه دهیم، ترافیک سایت را تجزیه و تحلیل کنیم و محتوا را شخصی سازی کنیم. با استفاده از این سایت، شما با استفاده ما از کوکی ها موافقت می کنید. سیاست حفظ حریم خصوصی
رد کردن قبول کنید